
玖容各種型號氣液增壓缸氣路連接圖/動作順序
一、JRA標準型氣液增壓缸氣路連接圖/動作順序
1、JRA標準型氣液增壓缸氣路連接圖

2、JRA標準型氣液增壓缸動作順序
(1)、電磁閥DT1通電,氣壓作用在儲油筒液壓油表面,氣缸段總行程開始向下作位移;
(2)、活塞桿位移遇到阻力,DT1保持,此時DT2通電,增壓段總成開始作位移;
(3)、根據加工工件保壓需要,DT2斷電,此時增壓段總成復位,增壓缸卸壓;
(4)、DT1斷電,氣缸段總成復位,液壓油回位到儲油筒,些時一個動作循環完成。
二、JRAA水平安裝型氣液增壓缸氣路連接圖/動作順序
1、JRAA水平安裝型氣液增壓缸氣路連接圖

2、JRAA水平安裝型氣液增壓缸動作順序
(1)、電磁閥DT1通電,氣壓作用在儲油筒液壓油表面,氣缸段總行程開始向下作位移;
(2)、活塞桿位移遇到阻力,DT1保持,此時DT2通電,增壓段總成開始作位移;
(3)、根據加工工件保壓需要,DT2斷電,此時增壓段總成復位,增壓缸卸壓;
(4)、DT1斷電,氣缸段總成復位,液壓油回位到儲油筒,些時一個動作循環完成。
三、JRB力行程可調型氣液增壓缸氣路連接圖/動作順序
1、JRB力行程可調型氣液增壓缸氣路連接圖

2、JRB力行程可調型氣液增壓缸動作順序
(1)、電磁閥DT1通電,氣壓作用在儲油筒液壓油表面,氣缸段總行程開始向下作位移;
(2)、活塞桿位移遇到阻力,DT1保持,此時DT2通電,增壓段總成開始作位移;
(3)、根據加工工件保壓需要,DT2斷電,此時增壓段總成復位,增壓缸卸壓;
(4)、DT1斷電,氣缸段總成復位,液壓油回位到儲油筒,些時一個動作循環完成。
四、JRC總行程可調型氣液增壓缸氣路連接圖/動作順序
1、JRC總行程可調型氣液增壓缸氣路連接圖

2、JRC總行程可調型氣液增壓缸動作順序
(1)、電磁閥DT1通電,氣壓作用在儲油筒液壓油表面,氣缸段總行程開始向下作位移;
(2)、活塞桿位移遇到阻力,DT1保持,此時DT2通電,增壓段總成開始作位移;
(3)、根據加工工件保壓需要,DT2斷電,此時增壓段總成復位,增壓缸卸壓;
(4)、DT1斷電,氣缸段總成復位,液壓油回位到儲油筒,些時一個動作循環完成。
五、JRD總/力行程可調型氣液增壓缸氣路連接圖/動作順序
1、JRD總/力行程可調氣液增壓缸氣路連接圖

2、JRD總/力行程可調氣液增壓缸動作順序
(1)、電磁閥DT1通電,氣壓作用在儲油筒液壓油表面,氣缸段總行程開始向下作位移;
(2)、活塞桿位移遇到阻力,DT1保持,此時DT2通電,增壓段總成開始作位移;
(3)、根據加工工件保壓需要,DT2斷電,此時增壓段總成復位,增壓缸卸壓;
(4)、DT1斷電,氣缸段總成復位,液壓油回位到儲油筒,些時一個動作循環完成。
六、JRE直壓式氣液增壓缸氣路連接圖/動作順序
1、JRE直壓式氣液增壓缸氣路連接圖

2、JRE直壓式氣液增壓缸動作順序
(1)、增壓缸按照上圖氣路連接圖接好之后,打開氣源,此時增壓缸處于回位狀態;
(2)、電磁閥DT1通電,切換氣路使氣壓作用于氣缸活塞使氣缸活塞開始位移,直接開始直壓;
(3)、根據加工工件保壓需要,調節保壓時間,電磁閥DT1斷電,再次切換氣路,使氣缸和油缸同時回位達到初始狀態。至此一個動作循環完畢。
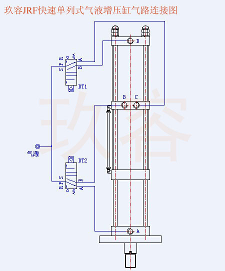
七、JRF快速單列式氣液增壓缸氣路連接圖/動作順序
1、JRF快速單列式氣液增壓缸氣路連接圖

2、JRF快速單列式氣液增壓缸動作順序
(1)、電磁閥DT1通電,氣壓作用在儲油筒液壓油表面,氣缸段總行程開始向下作位移;
(2)、活塞桿位移遇到阻力,DT1保持,此時DT2通電,增壓段總成開始作位移;
(3)、根據加工工件保壓需要,DT2斷電,此時增壓段總成復位,增壓缸卸壓;
(4)、DT1斷電,氣缸段總成復位,液壓油回位到儲油筒,些時一個動作循環完成。
八、JRG復合式型氣液增壓缸氣路連接圖/動作順序
1、JRG復合式氣液增壓缸氣路連接圖

2、JRG復合式氣液增壓缸動作順序
(1)、電磁閥DT1通電,氣壓作用在儲油筒液壓油表面,氣缸段總行程開始向下作位移;
(2)、活塞桿位移遇到阻力,DT1保持,此時DT2通電,增壓段總成開始作位移;
(3)、根據加工工件保壓需要,DT2斷電,此時增壓段總成復位,增壓缸卸壓;
(4)、DT1斷電,氣缸段總成復位,液壓油回位到儲油筒,些時一個動作循環完成。
九、JRM快速型氣液增壓缸氣路連接圖/動作順序
1、JRM快速型氣液增壓缸氣路連接圖

2、JRM快速型氣液增壓缸動作順序
(1)、電磁閥DT1通電,氣壓作用在儲油筒液壓油表面,氣缸段總行程開始向下作位移;
(2)、活塞桿位移遇到阻力,DT1保持,此時DT2通電,增壓段總成開始作位移;
(3)、根據加工工件保壓需要,DT2斷電,此時增壓段總成復位,增壓缸卸壓;
(4)、DT1斷電,氣缸段總成復位,液壓油回位到儲油筒,些時一個動作循環完成。
十、JRO預壓式氣液增壓缸氣路連接圖/動作順序
1、JRO預壓式氣液增壓缸氣路連接圖

2、JRO預壓式氣液增壓缸動作順序
(1)、電磁閥DT1通電,氣壓作用在儲油筒液壓油表面,氣缸段總行程開始向下作位移;
(2)、活塞桿位移遇到阻力,DT1保持,此時DT2通電,增壓段總成開始作位移;
(3)、根據加工工件保壓需要,DT2斷電,此時增壓段總成復位,增壓缸卸壓;
(4)、DT1斷電,氣缸段總成復位,液壓油回位到儲油筒,些時一個動作循環完成。
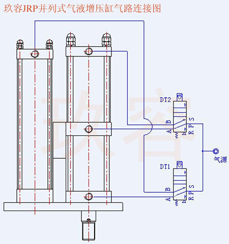
十一、JRP并列式氣液增壓缸氣路連接圖/動作順序
1、JRP并列式氣液增壓缸氣路連接圖

2、JRP并列式氣液增壓缸動作順序
(1)、電磁閥DT1通電,氣壓作用在儲油筒液壓油表面,氣缸段總行程開始向下作位移;
(2)、活塞桿位移遇到阻力,DT1保持,此時DT2通電,增壓段總成開始作位移;
(3)、根據加工工件保壓需要,DT2斷電,此時增壓段總成復位,增壓缸卸壓;
(4)、DT1斷電,氣缸段總成復位,液壓油回位到儲油筒,些時一個動作循環完成。
十二、JRT倒裝型氣液增壓缸氣路連接圖/動作順序
1、JRT倒裝型氣液增壓缸氣路連接圖

2、JRT倒裝型氣液增壓缸動作順序
(1)、電磁閥DT1通電,氣壓作用在儲油筒液壓油表面,氣缸段總行程開始向下作位移;
(2)、活塞桿位移遇到阻力,DT1保持,此時DT2通電,增壓段總成開始作位移;
(3)、根據加工工件保壓需要,DT2斷電,此時增壓段總成復位,增壓缸卸壓;
(4)、DT1斷電,氣缸段總成復位,液壓油回位到儲油筒,些時一個動作循環完成。
